

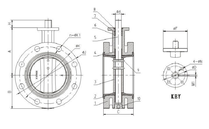
1.size:DN40-DN600;2’’-24’’
2.Medium:water
3.Standard:EN593/AWWA C504/MSS SP-67
4.Pressure:CLASS 125-300/PN10-25/200-300PSI
5.Material:CI,DI
6.Type:wafer type,lug type,double flange type,U type,groove-end
Tel: +86-532-66952179/66952180
E-mail: qdiflow@qdiflow.com
Description
TECHNICAL REQUIREMENT :
● Design and Manufacture Conform to AWWA C504
● Flange dimensions Conform to ANSI B16.1 CLASS 125
● Face to Face dimensions Conform to AWWA C504 Short Body
● Testing Conform to AWWA C504
● Driving mode: lever, worm actuator, electric, pheumatic
Specification
Dimensions data (mm)
Related Products
Inquiry