


1.Standard:API609,EN12266-1
2.Size : DN15~DN1000mm (1/2"-40")
3.Pressure : PN1.0~10MPa(class150-class900)
4.Suitable Mediums:water , oil , gas,steam
5.Body material:Carbon Steel A216 WCB/A105 ,Stainless steel
6.Type:wafer ,lug
Tel: +86-532-66952179/66952180
E-mail: qdiflow@qdiflow.com
Description
TECHNICAL REQUIREMENT:
Design standard:API 609
Flange standard:ANSI/ASME B16.5a, B16.47(A)
Face to face: ANSI B16.10/API 609
Pressure test:API598
Specification
| Parts name | Material | ||||||||||
| Body | WCB、304、316、CF8、CF8M | ||||||||||
| Disc | WCB、304、316、CF8、CF8M | ||||||||||
| Stem | 316、2Cr13、1Cr18Ni9Ti | ||||||||||
| Seal ring | Fluorine plastic | ||||||||||
| Packing | Flexible graphite, fluorine plastic | ||||||||||
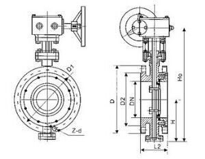
Dimensions data(mm) Class 150
|
DN Nominal diameter | Face to Face(standand) | External Dimension(reference) | Connection dimension(standand) | ||||||||||||||
| L | L1 | H | H0 | D | D1 | D2 | M | Z-d | |||||||||
| inch | mm | inch | mm | inch | mm | inch | mm | inch | mm | inch | mm | inch | mm | inch | mm | inch | mm |
| 2" | 50 | 1.69 | 43 | 4.25 | 108 | 4.33 | 110 | 13.58 | 345 | 6.00 | 152 | 4.75 | 120.5 | 3.62 | 92 | M16 | 4-18 |
| 2.1/2" | 65 | 1.81 | 46 | 4.40 | 112 | 4.64 | 118 | 14.25 | 362 | 7.00 | 178 | 5.50 | 139.5 | 4.13 | 105 | M16 | 4-18 |
| 3" | 80 | 1.88 | 48 | 4.50 | 114 | 4.92 | 125 | 14.96 | 380 | 7.50 | 190 | 6.00 | 152.5 | 5.00 | 127 | M16 | 4-18 |
| 4" | 100 | 2.12 | 54 | 5.00 | 127 | 5.70 | 145 | 16.34 | 415 | 9.00 | 229 | 7.50 | 190.5 | 6.19 | 157 | M16 | 8-18 |
| 5" | 125 | 2.19 | 56 | 5.50 | 140 | 6.50 | 165 | 17.91 | 455 | 10.00 | 254 | 8.50 | 216 | 7.32 | 186 | M20 | 8-22 |
| 6" | 150 | 2.25 | 57 | 5.50 | 140 | 6.89 | 175 | 21.45 | 545 | 11.00 | 279 | 9.50 | 241.5 | 8.50 | 216 | M20 | 8-22 |
| 8" | 200 | 2.50 | 64 | 6.00 | 152 | 8.26 | 210 | 24.21 | 615 | 13.50 | 343 | 11.75 | 298.5 | 10.62 | 270 | M20 | 8-22 |
| 10" | 250 | 2.81 | 71 | 6.50 | 165 | 9.84 | 250 | 27.36 | 695 | 16.00 | 406 | 14.25 | 362 | 12.75 | 324 | M24 | 12-26 |
| 12" | 300 | 3.19 | 81 | 7.00 | 178 | 11.24 | 285 | 32.78 | 830 | 19.00 | 483 | 17.00 | 432 | 15.00 | 381 | M24 | 12-26 |
| 14" | 350 | 3.62 | 92 | 7.50 | 190 | 12.60 | 320 | 35.43 | 900 | 21.00 | 533 | 18.75 | 476 | 16.25 | 413 | M27 | 12-30 |
| 16" | 400 | 4.00 | 102 | 8.50 | 216 | 13.98 | 355 | 38.58 | 980 | 23.50 | 597 | 21.25 | 540 | 18.50 | 470 | M27 | 16-30 |
| 18" | 450 | 4.50 | 114 | 8.75 | 222 | 14.96 | 380 | 40.55 | 1030 | 25.00 | 635 | 22.75 | 578 | 21.00 | 533 | M30 | 16-33 |
| 20" | 500 | 5.00 | 127 | 9.00 | 229 | 16.34 | 415 | 43.70 | 1110 | 27.50 | 699 | 25.00 | 635 | 23.00 | 584 | M30 | 20-33 |
| 24" | 600 | 6.06 | 154 | 10.50 | 267 | 18.70 | 475 | 51.37 | 1305 | 32.00 | 813 | 29.50 | 749.5 | 27.25 | 692 | M33 | 20-36 |
| 26" | 650 | 6.50 | 165 | 11.50 | 292 | 20.85 | 530 | 54.72 | 1390 | 34.25 | 788 | 29.31 | 745 | 28.00 | 711 | M20 | 36-22 |
| 28" | 700 | 6.50 | 165 | 11.50 | 292 | 22.04 | 560 | 58.07 | 1475 | 32.94 | 837 | 31.31 | 795 | 30.00 | 762 | M20 | 40-22 |
| 30" | 750 | 6.50 | 165 | 12.52 | 318 | 22.38 | 580 | 60.03 | 1525 | 34.94 | 887 | 33.31 | 845 | 32.00 | 813 | M20 | 44-22 |
| 32" | 800 | 7.50 | 190 | 12.50 | 318 | 24.80 | 630 | 62.40 | 1585 | 37.06 | 941 | 35.44 | 900 | 34.00 | 864 | M20 | 48-22 |
| 34" | 850 | 7.88 | 200 | 13.00 | 330 | 25.60 | 650 | 63.00 | 1600 | 39.56 | 1005 | 37.69 | 957 | 36.25 | 921 | M24 | 40-26 |
| 36" | 900 | 7.88 | 200 | 13.00 | 330 | 26.77 | 680 | 69.48 | 1765 | 41.62 | 1057 | 39.75 | 1010 | 38.25 | 972 | M24 | 44-26 |
| 38" | 950 | 7.88 | 200 | 16.14 | 410 | 27.95 | 710 | 72.84 | 1850 | 44.25 | 1124 | 42.12 | 1070 | 40.25 | 1022 | M27 | 40-30 |
| 40" | 1000 | 8.50 | 216 | 16.14 | 410 | 29.53 | 750 | 76.00 | 1930 | 46.25 | 1175 | 44.12 | 1121 | 42.50 | 1080 | M27 | 44-30 |
Dimensions data(mm) Class 300
|
DN Nominal diameter | Face to Face(standand) | External Dimension(reference) | Connection dimension(standand) | ||||||||||||||
| L | L2 | H | H0 | D | D1 | D2 | M | Z-d | |||||||||
| inch | mm | inch | mm | inch | mm | inch | mm | inch | mm | inch | mm | inch | mm | inch | mm | inch | mm |
| 2" | 50 | 1.69 | 43 | 4.25 | 108 | 4.33 | 110 | 13.58 | 345 | 6.50 | 165 | 5.00 | 127 | 3.62 | 92 | M16 | 8-18 |
| 2.1/2" | 65 | 1.81 | 46 | 4.41 | 112 | 4.64 | 118 | 14.25 | 362 | 7.50 | 190 | 5.86 | 149 | 4.13 | 105 | M20 | 8-22 |
| 3" | 80 | 1.88 | 48 | 7.10 | 180 | 4.92 | 125 | 14.96 | 380 | 8.25 | 210 | 6.63 | 168 | 5.00 | 127 | M20 | 8-22 |
| 4" | 100 | 2.12 | 54 | 7.50 | 190 | 5.70 | 145 | 16.34 | 415 | 10.00 | 254 | 7.87 | 200 | 6.19 | 157 | M20 | 8-22 |
| 5" | 125 | 2.19 | 56 | 8.27 | 210 | 6.50 | 165 | 17.91 | 455 | 11.00 | 279 | 9.25 | 235 | 7.32 | 186 | M20 | 8-22 |
| 6" | 150 | 2.31 | 59 | 8.27 | 210 | 6.89 | 175 | 21.45 | 545 | 12.50 | 318 | 10.63 | 270 | 8.50 | 216 | M20 | 12-22 |
| 8" | 200 | 2.88 | 73 | 9.06 | 230 | 8.26 | 210 | 24.21 | 645 | 15.00 | 381 | 13.00 | 330 | 10.62 | 270 | M24 | 12-26 |
| 10" | 250 | 3.25 | 83 | 9.84 | 250 | 9.84 | 250 | 27.36 | 695 | 17.50 | 445 | 15.24 | 387 | 12.75 | 324 | M27 | 16-30 |
| 12" | 300 | 3.62 | 92 | 10.63 | 270 | 11.24 | 285 | 32.78 | 830 | 20.50 | 521 | 17.76 | 451 | 15.00 | 381 | M30 | 16-33 |
| 14" | 350 | 4.62 | 117 | 11.42 | 290 | 12.60 | 320 | 35.43 | 900 | 23.00 | 584 | 20.24 | 514 | 16.25 | 413 | M30 | 20-33 |
| 16" | 400 | 5.25 | 133 | 12.20 | 310 | 13.98 | 355 | 38.58 | 980 | 25.50 | 648 | 22.50 | 571 | 18.50 | 470 | M33 | 20-36 |
| 18" | 450 | 5.88 | 149 | 12.99 | 330 | 14.96 | 380 | 40.55 | 1030 | 28.00 | 711 | 24.75 | 628 | 21.00 | 533 | M33 | 24-36 |
| 20" | 500 | 6.25 | 159 | 13.78 | 350 | 16.34 | 415 | 43.70 | 1110 | 30.50 | 775 | 27.00 | 686 | 23.00 | 584 | M33 | 24-36 |
| 22" | 550 | 7.12 | 181 | 15.35 | 390 | 17.50 | 445 | 46.50 | 1180 | 33.00 | 838 | 29.25 | 743 | 25.25 | 641 | M39 | 24-42 |
| 24" | 600 | 7.12 | 181 | 15.35 | 390 | 18.70 | 475 | 51.37 | 1305 | 36.00 | 914 | 32.00 | 813 | 27.25 | 692 | M39 | 24-42 |
| 26" | 650 | 8.25 | 210 | 16.14 | 410 | 20.00 | 510 | 54.00 | 1370 | 34.12 | 867 | 31.62 | 803 | 29.00 | 737 | M33 | 32-36 |
| 28" | 700 | 9.01 | 229 | 16.93 | 430 | 22.04 | 560 | 58.07 | 1475 | 36.25 | 921 | 33.75 | 857 | 31.00 | 787 | M33 | 36-36 |
| 30" | 750 | 9.01 | 229 | 17.72 | 450 | 22.38 | 580 | 60.03 | 1525 | 39.00 | 991 | 36.25 | 921 | 33.25 | 845 | M36 | 36-39 |
| 32" | 800 | 9.48 | 241 | 18.50 | 470 | 25.59 | 650 | 64.37 | 1635 | 41.50 | 1054 | 38.50 | 978 | 35.50 | 902 | M39 | 32-42 |
| 34" | 850 | 9.48 | 241 | 20.08 | 510 | 26.00 | 660 | 66.00 | 1675 | 43.62 | 1108 | 40.62 | 1032 | 37.50 | 953 | M39 | 36-42 |
| 36" | 900 | 9.48 | 241 | 20.08 | 510 | 26.77 | 680 | 69.48 | 1765 | 46.12 | 1172 | 42.88 | 1039 | 39.75 | 1010 | M42 | 32-45 |
| 38" | 950 | 11.80 | 300 | 20.87 | 530 | 28.50 | 725 | 72.00 | 1830 | 48.12 | 1222 | 44.88 | 1140 | 41.75 | 1060 | M42 | 36-45 |
| 40" | 1000 | 11.80 | 300 | 21.65 | 550 | 31.00 | 785 | 78.00 | 1980 | 50.12 | 1273 | 46.88 | 1191 | 43.88 | 1115 | M42 | 40-45 |
Dimensions data(mm) Class 600
|
DN Nominal diameter | Face to Face | External Dimension(reference) | Connection dimension(standand) | ||||||||||||
| L | H | H0 | D | D1 | D2 | M | Z-d | ||||||||
| inch | mm | inch | mm | inch | mm | inch | mm | inch | mm | inch | mm | inch | mm | inch | mm |
| 2" | 50 | 5.90 | 150 | 4.50 | 115 | 15.00 | 380 | 6.50 | 165 | 5.00 | 127 | 3.62 | 92 | M16 | 8-19 |
| 2.1/2" | 65 | 6.70 | 170 | 5.75 | 145 | 17.00 | 430 | 7.50 | 190 | 5.88 | 149 | 4.13 | 105 | M20 | 8-22 |
| 3" | 80 | 7.10 | 180 | 6.10 | 155 | 17.50 | 445 | 8.25 | 210 | 6.62 | 168 | 5.00 | 127 | M20 | 8-22 |
| 4" | 100 | 7.48 | 190 | 7.80 | 195 | 20.80 | 530 | 10.00 | 273 | 8.50 | 216 | 6.19 | 157 | M24 | 8-26 |
| 5" | 125 | 7.88 | 200 | 8.80 | 225 | 23.20 | 590 | 13.00 | 330 | 10.50 | 267 | 7.31 | 186 | M27 | 8-29.5 |
| 6" | 150 | 8.25 | 210 | 9.40 | 240 | 24.50 | 620 | 14.00 | 355 | 11.50 | 292 | 8.50 | 216 | M27 | 12-29.5 |
| 8" | 200 | 9.05 | 230 | 11.00 | 280 | 29.00 | 735 | 16.50 | 419 | 13.75 | 349 | 10.62 | 270 | M30 | 12-32.5 |
| 10" | 250 | 9.85 | 250 | 12.40 | 315 | 32.00 | 810 | 20.00 | 508 | 17.00 | 432 | 12.75 | 324 | M33 | 16-35.5 |
| 12" | 300 | 10.62 | 270 | 13.50 | 345 | 34.50 | 875 | 22.00 | 559 | 19.25 | 489 | 15.00 | 381 | M33 | 20-35.5 |
| 14" | 350 | 11.42 | 290 | 14.50 | 370 | 37.80 | 960 | 23.75 | 603 | 20.75 | 527 | 16.25 | 413 | M36 | 20-39 |
| 16" | 400 | 12.20 | 310 | 16.50 | 420 | 41.70 | 1060 | 27.00 | 685 | 23.75 | 603 | 18.50 | 470 | M39 | 20-42 |
| 18" | 450 | 13.00 | 330 | 17.50 | 445 | 43.70 | 1110 | 29.25 | 743 | 25.75 | 654 | 21.00 | 533 | M42 | 20-45 |
| 20" | 500 | 13.78 | 350 | 19.00 | 485 | 50.00 | 1270 | 32.00 | 813 | 28.50 | 724 | 23.00 | 584 | M42 | 24-45 |
| 22" | 550 | 14.56 | 370 | 20.30 | 515 | 52.40 | 1330 | 34.25 | 870 | 30.62 | 778 | 25.25 | 641 | M45 | 24-48 |
| 24" | 600 | 15.36 | 390 | 22.50 | 570 | 56.70 | 1440 | 37.00 | 940 | 33.00 | 838 | 27.25 | 692 | M48 | 24-51 |
| 26" | 650 | 16.15 | 410 | 23.00 | 585 | 60.00 | 1525 | 35.00 | 889 | 31.75 | 806 | 28.62 | 727 | M42 | 28-45 |
| 28" | 700 | 16.93 | 430 | 24.50 | 620 | 62.60 | 1590 | 37.50 | 953 | 34.00 | 864 | 30.88 | 784 | M45 | 28-48 |
Related Products
Inquiry