• JIS F 7352 Bronze 5K screw-down check angle valves
JIS F 7352 Bronze 5K screw-down check angle valves

Standard: JIS F7301,7302,7303,7304,7351,7352,7409,7410
Pressure:5K,10K,16K
Size:DN15-DN300
Material:cast iron,cast steel,forged steel,brass,bronze
Type:globe valve,angle valve,
Media: Water,Oil,Steam

Tel: +86-532-66952179/66952180

E-mail: qdiflow@qdiflow.com

Description

DESIGN STANDARDJIS F 7352-1996
TEST JIS F 7400-1996
HYDRAULTC INSPECTION
TEST PRESSURE/MPA BODY 1.05
SEAT 0.77-0.4

Specification

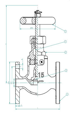
5 HANDWHEEL FC200

Qingdao I-Flow Co., Ltd

4 STEM C3771BD OR BE
3 DISC BC6
2 BONNET BC6
1 BODY BC6
NO. NAME OF PART MATERIAL
BRONZE 5K SCREW-DOWN CHECK ANGLE VALVE

 

Dimensions data(mm)

 

DN d L D C NO. h t H D2
15 15 55 80 60 4 12 9 120 80
20 20 60 85 65 4 12 10 125 100
25 25 65 95 75 4 12 10 140 125
32 32 80 115 90 4 15 12 145 125
40 40 85 120 95 4 15 12 160 140
50 50 100 130 105 4 15 14 197 140
65 65 115 155 130 4 15 14 209 160
 

 

Related Products

Inquiry

Submit