• JIS F 7209 Shipbuilding-Simplex oil strainer
JIS F 7209 Shipbuilding-Simplex oil strainer

Standard: JIS F7301,7302,7303,7304,7351,7352,7409,7410
Pressure:5K,10K,16K
Size:DN15-DN300
Material:cast iron,cast steel,forged steel,brass,bronze
Type:globe valve,angle valve,
Media: Water,Oil,Steam

Tel: +86-532-66952179/66952180

E-mail: qdiflow@qdiflow.com

Description

DESIGN STANDARD JIS F 7209-1996
TEST JIS F 7200-1996
HYDRAULTC INSPECTION
TEST PRESSURE/MPA BODY 0.74

 

Specification

5 O-RING  

Qingdao I-Flow Co., Ltd

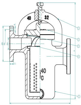
4 STRAINER SS400(SUS 304)
3 COVER PUSH FCD400
2 BONNET FC200
1 BODY FC200
NO. NAME OF PART MATERIAL
SHIPBUILDING-SIMPLEX OIL STRAINERS

 

Dimensions data(mm)

 

DN D L D C NO. H T H
5K20 25 190 85 65 4 12 14 240
5K25 25 190 95 75 4 12 14 240
10K25 25 190 125 90 4 19 18 240
5K32 32 260 115 90 4 15 16 328
10K32 32 260 135 100 4 19 20 328
5K40 40 260 120 95 4 15 16 328
10K40 40 260 140 105 4 19 20 328

 

Related Products

Inquiry

Submit