• Double eccentric high performance butterfly valve
Double eccentric high performance butterfly valve

Tel: +86-532-66952179/66952180

E-mail: qdiflow@qdiflow.com

Description

Technical standards
1. Design and manufacture conforms to API609
2. Pressure and temperature rating conforms to ASME B16.34
3. Flange end conforms to ASME B16.5
4. Test according to API 598

Specification

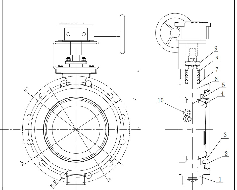
NO.PARTS NAMEMATERIAL

Qingdao I-Flow Co., Ltd

1BODYCF8M/WCB
2INSERT20#
3SEATPTFE/RPTFE
4DISCCF8M
5STEM17-4PH
6BUSHING316+RPTFE
7PACKING RING316
8PACKINGRPTFE
9GLANDCF8
10TAPER PINS17-4PH
 


NPSDNKW ABC NM
2"508143961271658Φ18
2.5"6511149118149.21908Φ22
3"8012149132168.32108Φ18
4"100133541572002558Φ19
5"125135571862352808Φ22
6"15017559217.5269.932012Φ22
8"20021373273330.238012Φ26
10"25025483327387.444516Φ30
12"30028392385450.852016Φ32
14"350325117445514.458520Φ32
16"400351133505571.565020Φ35

     

Related Products

Inquiry

Submit