• DIN Cast iron globe valve
DIN Cast iron globe valve

Tel: +86-532-66952179/66952180

E-mail: qdiflow@qdiflow.com

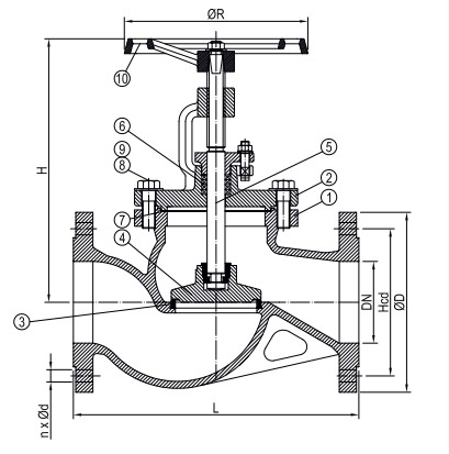
Description

Design STANDARD: DIN 86251 STOP type(DIN 3356)
 
DESCRIPTION: iron body, metal seated screw down stop valve with
rising stem, bolted bonnet. Raised face flangedconnection.
 
APPLICATION: Aboard ships for hot and cold
water, oil and steam.
Start/stop and and throttling of: Sea water, water,
steam and oils etc. Suitable as sea direct.
 
VARIATIONS: Can be supplied with regulating
disc and non return disc.
Stainless steel trim. With open/close indication.

Specification

Qingdao I-Flow Co., Ltd

Qingdao I-Flow Co., Ltd

Qingdao I-Flow Co., Ltd

Related Products

Inquiry

Submit