• DIN3352 Ductile iron gate valve F4 NRS bronze trim with indicator class approved
DIN3352 Ductile iron gate valve F4 NRS bronze trim with indicator class approved

Tel: +86-532-66952179/66952180

E-mail: qdiflow@qdiflow.com

Description

1.Design conforms to DIN 1171. 

2.Face to face dimensions conform to EN558.1 F14

3.Flanges drilled to EN1092-2 PN10/16. 

4. Suitable media: Water

5.Suitable temperature:-30 C-200 C.

6.Test according to EN12266-1 grade C.

Qingdao I-Flow Co., Ltd


Specification

SIZELDD1D2BCz-dH
40 140 150 110 84 16 3 4-19 203
50 150 165 125 99 20 3 4-19 220
65 170 185 145 118 20 3 4-19 245
80 180 200 160 132 22 3 8-19 280
100 190 220 180 156 22 3 8-19 331
125 200 250 210 184 24 3 8-19 396
150 210 285 240 211 24 3 8-19 438


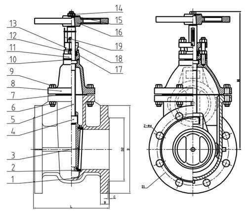
NO.PART NAMEMATERIALMATERIAL STANDARD
1BODYDUCTILE IRON GGG40.3
2BODY SEAT RINGCAST BRONZECC491K
3WEDGEDUCTILE IRON+BRONZEGGG40.3+CC491K
4WEDGE BUSHINGCAST BRASSASTM B584
5STEMBRASSCW710R
6NUTSSTEELASTM A307 B
 7BODY GASKETGRAPHITE                      
8BONNETDUCTILE IRONGGG40.3
9BOLTSSTEELASTM A307 B
10GASKETRUBBER GRAPHITE                      
11STUFFING BOXDUCTILE IRONGGG40.3
12NUTSSTEELASTM A307 B
13BOLTSSTEELASTM A307 B
14BOLTSSTEELASTM A307 B
15WASHERSTEELASTM A307 B
16HANDWHEELCAST IRONGG25
17PACKINGGRAPHITE                      
18PACKING GLANDDUCTILE IRONGGG40.3
19INDICATORCAST BRONZECC491K

         

         

Related Products

Inquiry

Submit